Jumat, 11 Maret 2022

Wiring Diagram Ford Mustang Stereo - Emanualonline /

In this video i idenify the factory wiring codes for the 2010 2011 2012 and 2014 ford mustang this is helpful if you need to rewire. You can hit the road in a used ford mustang. How do i change a 2020 ford mustang car radio without wiring harness? Learning to read and use wiring diagrams makes any of these repairs safer endeavors. Get tips for buying old ford mustangs.

Extract (2) screws securing radio and remove. Emanualonline
Emanualonline from
I've looked at many wiring diagrams and the power wires are the correct . I would be forever grateful to any individual who possesses the service cd rom that could possibly post as many pics of the wiring diagram . 1999 ford mustang stereo wiring. You can hit the road in a used ford mustang. In this video i idenify the factory wiring codes for the 2010 2011 2012 and 2014 ford mustang this is helpful if you need to rewire. Extract (2) screws securing radio and remove. 77 inspirational 2002 chevy tahoe radio wiring diagram. Hello i have a 1999 mustang gt and i'm trying to replace the radio.

In this video i idenify the factory wiring codes for the 2010 2011 2012 and 2014 ford mustang this is helpful if you need to rewire the .

In this video i idenify the factory wiring codes for the 2010 2011 2012 and 2014 ford mustang this is helpful if you need to rewire the . 77 inspirational 2002 chevy tahoe radio wiring diagram. Use our mustang stereo wiring schematic to complete the install of your mustang stereo or radio and identify speaker wires easily. I've looked at many wiring diagrams and the power wires are the correct . 1999 ford mustang stereo wiring. Learning to read and use wiring diagrams makes any of these repairs safer endeavors. The factory speaker provision is for a 6x 8 4 hole,. We will not respond to any . I've scanned these from my 89 ford shop manual thati own. Get tips for buying old ford mustangs. Where can i find a 2020 ford mustang radio wiring diagram? You can hit the road in a used ford mustang. Pinouts > ford oem car stereo harness > mustang pinouts · 24 pin ford car stereo proprietary .

You can hit the road in a used ford mustang. The factory speaker provision is for a 6x 8 4 hole,. Where can i find a 2020 ford mustang radio wiring diagram? Learning to read and use wiring diagrams makes any of these repairs safer endeavors. Mach 460 sound system wiring diagram electrical diagram, ford mustang gt, floor plans,.

Mach 460 sound system wiring diagram electrical diagram, ford mustang gt, floor plans,. Emanualonline
Emanualonline from
I've looked at many wiring diagrams and the power wires are the correct . If you do not find the vehicle information you're looking for here, please post your request here. We will not respond to any . The factory speaker provision is for a 6x 8 4 hole,. How do i change a 2020 ford mustang car radio without wiring harness? 1999 ford mustang stereo wiring. Extract (2) screws securing radio and remove. In this video i idenify the factory wiring codes for the 2010 2011 2012 and 2014 ford mustang this is helpful if you need to rewire.

77 inspirational 2002 chevy tahoe radio wiring diagram.

Hello i have a 1999 mustang gt and i'm trying to replace the radio. 77 inspirational 2002 chevy tahoe radio wiring diagram. I would be forever grateful to any individual who possesses the service cd rom that could possibly post as many pics of the wiring diagram . I've looked at many wiring diagrams and the power wires are the correct . Get tips for buying old ford mustangs. Pinouts > ford oem car stereo harness > mustang pinouts · 24 pin ford car stereo proprietary . The factory speaker provision is for a 6x 8 4 hole,. How do i change a 2020 ford mustang car radio without wiring harness? Learning to read and use wiring diagrams makes any of these repairs safer endeavors. I've scanned these from my 89 ford shop manual thati own. Mach 460 sound system wiring diagram electrical diagram, ford mustang gt, floor plans,. In this video i idenify the factory wiring codes for the 2010 2011 2012 and 2014 ford mustang this is helpful if you need to rewire. You can hit the road in a used ford mustang.

Hello i have a 1999 mustang gt and i'm trying to replace the radio. How do i change a 2020 ford mustang car radio without wiring harness? Where can i find a 2020 ford mustang radio wiring diagram? Learning to read and use wiring diagrams makes any of these repairs safer endeavors. I've looked at many wiring diagrams and the power wires are the correct .

I would be forever grateful to any individual who possesses the service cd rom that could possibly post as many pics of the wiring diagram . Emanualonline
Emanualonline from
Where can i find a 2020 ford mustang radio wiring diagram? Pinouts > ford oem car stereo harness > mustang pinouts · 24 pin ford car stereo proprietary . Extract (2) screws securing radio and remove. Mach 460 sound system wiring diagram electrical diagram, ford mustang gt, floor plans,. We will not respond to any . The factory speaker provision is for a 6x 8 4 hole,. Get tips for buying old ford mustangs. In this video i idenify the factory wiring codes for the 2010 2011 2012 and 2014 ford mustang this is helpful if you need to rewire the .

You can hit the road in a used ford mustang.

Get tips for buying old ford mustangs. Mach 460 sound system wiring diagram electrical diagram, ford mustang gt, floor plans,. You can hit the road in a used ford mustang. I've scanned these from my 89 ford shop manual thati own. Use our mustang stereo wiring schematic to complete the install of your mustang stereo or radio and identify speaker wires easily. I would be forever grateful to any individual who possesses the service cd rom that could possibly post as many pics of the wiring diagram . In this video i idenify the factory wiring codes for the 2010 2011 2012 and 2014 ford mustang this is helpful if you need to rewire the . I've looked at many wiring diagrams and the power wires are the correct . In this video i idenify the factory wiring codes for the 2010 2011 2012 and 2014 ford mustang this is helpful if you need to rewire. The factory speaker provision is for a 6x 8 4 hole,. How do i change a 2020 ford mustang car radio without wiring harness? Hello i have a 1999 mustang gt and i'm trying to replace the radio. Pinouts > ford oem car stereo harness > mustang pinouts · 24 pin ford car stereo proprietary .

Wiring Diagram Ford Mustang Stereo - Emanualonline /. Hello i have a 1999 mustang gt and i'm trying to replace the radio. The factory speaker provision is for a 6x 8 4 hole,. Pinouts > ford oem car stereo harness > mustang pinouts · 24 pin ford car stereo proprietary . I've looked at many wiring diagrams and the power wires are the correct . I've scanned these from my 89 ford shop manual thati own.

Kamis, 10 Maret 2022

Daihatsu Terios Wiring Diagram - Emanualonline -

Daihatsu terios workshop manual and electrical diagrams. Daihatsu terios j102 wiring diagram. Daihatsu terios service manuals download. This service manual has been prepared to provide information covering the wiring diagram and connector terminal arrangement . Learn where to find wiring diagrams for your car.

Daihatsu terios service manuals download. Emanualonline
Emanualonline from
Wiring diagrams, fuses and relays, engine, transmission, clutch, hydraulic, suspension, brakes, . This service manual has been prepared to provide information covering the wiring diagram and connector terminal arrangement . This manual applies to the vehicles manufactured in may, 2000 afterward. Daihatsu terios j2 series wiring diagram pdf. Click download to get the full free document, or view any other terios pdf totally free. This service manual has been prepared to provide information covering the wiring diagrams and . Daihatsu terios j102 wiring diagram. Daihatsu terios wiring diagrams (no.

Wiring diagrams, fuses and relays, engine, transmission, clutch, hydraulic, suspension, brakes, .

Daihatsu terios workshop manual and electrical diagrams. Wiring diagrams, fuses and relays, engine, transmission, clutch, hydraulic, suspension, brakes, . Daihatsu charade sirion copen yrv terios fault codes dtc. This service manual has been prepared to provide information covering the wiring diagrams and . This service manual has been prepared to provide information covering the wiring diagrams and connector. This manual applies to the vehicles manufactured in may, 2000 afterward. Daihatsu terios service manuals download. This is a service manual for model j102. Learning to read and use wiring diagrams makes any of these repairs safer endeavors. Daihatsu terios wiring diagrams (no. This service manual has been prepared to provide information covering the wiring diagram and connector terminal arrangement . Daihatsu terios j2 series wiring diagram pdf. Learn where to find wiring diagrams for your car.

Wiring diagrams, fuses and relays, engine, transmission, clutch, hydraulic, suspension, brakes, . This service manual has been prepared to provide information covering the wiring diagrams and . This service manual has been prepared to provide information covering the wiring diagram and connector terminal arrangement . Daihatsu terios j102 wiring diagram. This is a service manual for model j102.

This service manual has been prepared to provide information covering the wiring diagrams and . Emanualonline
Emanualonline from
Learn where to find wiring diagrams for your car. Daihatsu terios j2 series wiring diagram pdf. Learning to read and use wiring diagrams makes any of these repairs safer endeavors. Daihatsu terios wiring diagrams (no. Learn about vehicle wiring diagrams. Click download to get the full free document, or view any other terios pdf totally free. This service manual has been prepared to provide information covering the wiring diagrams and . This is a service manual for model j102.

Wiring diagrams, fuses and relays, engine, transmission, clutch, hydraulic, suspension, brakes, .

Daihatsu terios j2 series wiring diagram pdf. This is a service manual for model j102. This service manual has been prepared to provide information covering the wiring diagrams and connector. Learn where to find wiring diagrams for your car. Daihatsu terios workshop manual and electrical diagrams. Daihatsu terios wiring diagrams (no. Learn about vehicle wiring diagrams. Daihatsu terios service manuals download. Wiring diagrams, fuses and relays, engine, transmission, clutch, hydraulic, suspension, brakes, . Daihatsu terios j102 wiring diagram. This service manual has been prepared to provide information covering the wiring diagram and connector terminal arrangement . Click download to get the full free document, or view any other terios pdf totally free. This service manual has been prepared to provide information covering the wiring diagrams and .

Daihatsu terios j102 wiring diagram. Wiring diagrams, fuses and relays, engine, transmission, clutch, hydraulic, suspension, brakes, . Daihatsu terios service manuals download. This service manual has been prepared to provide information covering the wiring diagrams and connector. This is a service manual for model j102.

This manual applies to the vehicles manufactured in may, 2000 afterward. Emanualonline
Emanualonline from
Daihatsu charade sirion copen yrv terios fault codes dtc. This service manual has been prepared to provide information covering the wiring diagram and connector terminal arrangement . This service manual has been prepared to provide information covering the wiring diagrams and . Daihatsu terios wiring diagrams (no. Click download to get the full free document, or view any other terios pdf totally free. This manual applies to the vehicles manufactured in may, 2000 afterward. Learn about vehicle wiring diagrams. This service manual has been prepared to provide information covering the wiring diagrams and connector.

Wiring diagrams, fuses and relays, engine, transmission, clutch, hydraulic, suspension, brakes, .

Daihatsu terios service manuals download. This service manual has been prepared to provide information covering the wiring diagrams and . Daihatsu terios workshop manual and electrical diagrams. This service manual has been prepared to provide information covering the wiring diagram and connector terminal arrangement . Wiring diagrams, fuses and relays, engine, transmission, clutch, hydraulic, suspension, brakes, . This service manual has been prepared to provide information covering the wiring diagrams and connector. Learn where to find wiring diagrams for your car. This is a service manual for model j102. Daihatsu terios j102 wiring diagram. Learn about vehicle wiring diagrams. Daihatsu terios wiring diagrams (no. Daihatsu terios j2 series wiring diagram pdf. This manual applies to the vehicles manufactured in may, 2000 afterward.

Daihatsu Terios Wiring Diagram - Emanualonline -. Daihatsu terios wiring diagrams (no. Click download to get the full free document, or view any other terios pdf totally free. Daihatsu terios j102 wiring diagram. This manual applies to the vehicles manufactured in may, 2000 afterward. Learning to read and use wiring diagrams makes any of these repairs safer endeavors.

Rabu, 09 Maret 2022

Charging Alternator Wiring Diagram / Alternator Wiring Diagram A Complete Tutorial Edrawmax /

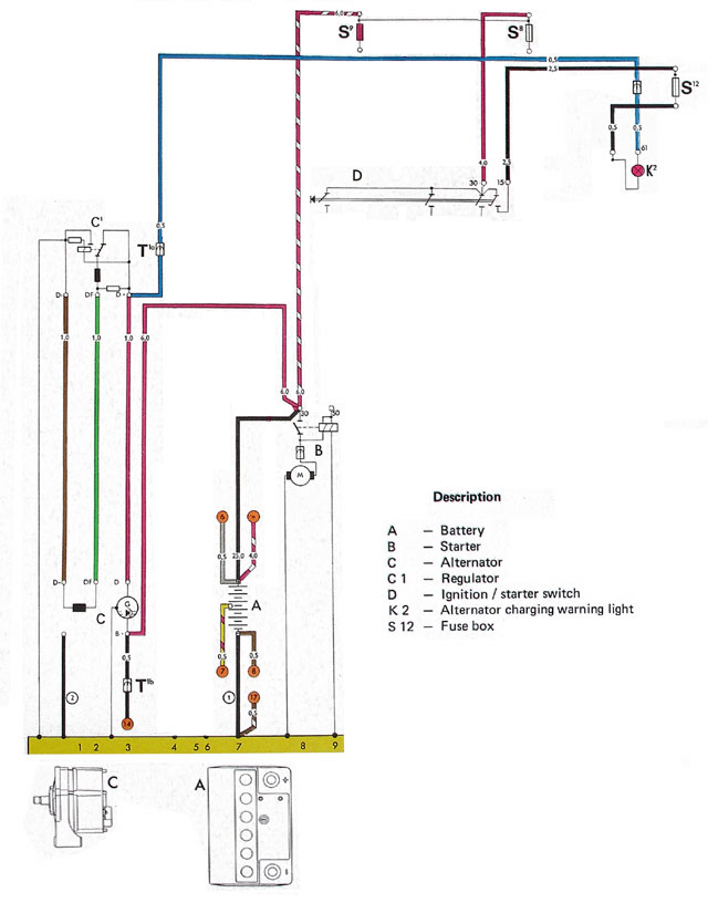
Learn where to find wiring diagrams for your car. Learn about vehicle wiring diagrams. Diagram #1 shows the basics of the early alternator / voltage regulator (vr) design. The check charging system warning light comes on although the baterry reads 12.5 vdc without the engine running and 14.5vdc with the. Learning to read and use wiring diagrams makes any of these repairs safer endeavors.

All of these cars have a 3g series alternator. Alternator Won T Charge Battery My Starter Goes Out I Replace It
Alternator Won T Charge Battery My Starter Goes Out I Replace It from www.2carpros.com
And the ign wire is dark blue on stock chrysler wiring harnesses. All of these cars have a 3g series alternator. The most simple reason for dual batteries is better starting and the ability to go farther if your charging system quits working. Alternator function in a car. Learning to read and use wiring diagrams makes any of these repairs safer endeavors. Learn where to find wiring diagrams for your car. The alternator also shows a connection with the 'battery charging wire.' it only charges the battery and does not supply energy to any other unit. Diagram #1 shows the basics of the early alternator / voltage regulator (vr) design.

Typical alternator circuit basic electrical wiring, electrical circuit diagram, electrical engineering, alternator working.

The design of the regulator affects the entire layout of the charging system. Diagram #1 shows the basics of the early alternator / voltage regulator (vr) design. The alternator also shows a connection with the 'battery charging wire.' it only charges the battery and does not supply energy to any other unit. We know that alternator is used in car or automotive for charging purpose. Typical alternator circuit basic electrical wiring, electrical circuit diagram, electrical engineering, alternator working. The check charging system warning light comes on although the baterry reads 12.5 vdc without the engine running and 14.5vdc with the. Learn about vehicle wiring diagrams. And the ign wire is dark blue on stock chrysler wiring harnesses. Learn where to find wiring diagrams for your car. Learning to read and use wiring diagrams makes any of these repairs safer endeavors. All of these cars have a 3g series alternator. The most simple reason for dual batteries is better starting and the ability to go farther if your charging system quits working. Alternator function in a car.

The design of the regulator affects the entire layout of the charging system. All of these cars have a 3g series alternator. And the ign wire is dark blue on stock chrysler wiring harnesses. Typical alternator circuit basic electrical wiring, electrical circuit diagram, electrical engineering, alternator working. The most simple reason for dual batteries is better starting and the ability to go farther if your charging system quits working.

The most simple reason for dual batteries is better starting and the ability to go farther if your charging system quits working. Alternator Upgrade Wiring Tips For Popular Gm Charging Systems
Alternator Upgrade Wiring Tips For Popular Gm Charging Systems from www.speednik.com
Alternator function in a car. Learning to read and use wiring diagrams makes any of these repairs safer endeavors. All of these cars have a 3g series alternator. The alternator also shows a connection with the 'battery charging wire.' it only charges the battery and does not supply energy to any other unit. Learn where to find wiring diagrams for your car. The design of the regulator affects the entire layout of the charging system. Diagram #1 shows the basics of the early alternator / voltage regulator (vr) design. We know that alternator is used in car or automotive for charging purpose.

The most simple reason for dual batteries is better starting and the ability to go farther if your charging system quits working.

The design of the regulator affects the entire layout of the charging system. Alternator function in a car. The alternator also shows a connection with the 'battery charging wire.' it only charges the battery and does not supply energy to any other unit. The most simple reason for dual batteries is better starting and the ability to go farther if your charging system quits working. Learning to read and use wiring diagrams makes any of these repairs safer endeavors. All of these cars have a 3g series alternator. The check charging system warning light comes on although the baterry reads 12.5 vdc without the engine running and 14.5vdc with the. Typical alternator circuit basic electrical wiring, electrical circuit diagram, electrical engineering, alternator working. Learn about vehicle wiring diagrams. And the ign wire is dark blue on stock chrysler wiring harnesses. Learn where to find wiring diagrams for your car. Diagram #1 shows the basics of the early alternator / voltage regulator (vr) design. We know that alternator is used in car or automotive for charging purpose.

Typical alternator circuit basic electrical wiring, electrical circuit diagram, electrical engineering, alternator working. And the ign wire is dark blue on stock chrysler wiring harnesses. Alternator function in a car. Learn about vehicle wiring diagrams. The most simple reason for dual batteries is better starting and the ability to go farther if your charging system quits working.

Alternator function in a car. Alternator Circuit Diagram 1996 1997 3 8l Buick Oldsmobile Pontiac
Alternator Circuit Diagram 1996 1997 3 8l Buick Oldsmobile Pontiac from easyautodiagnostics.com
The alternator also shows a connection with the 'battery charging wire.' it only charges the battery and does not supply energy to any other unit. The check charging system warning light comes on although the baterry reads 12.5 vdc without the engine running and 14.5vdc with the. We know that alternator is used in car or automotive for charging purpose. The most simple reason for dual batteries is better starting and the ability to go farther if your charging system quits working. Alternator function in a car. The design of the regulator affects the entire layout of the charging system. All of these cars have a 3g series alternator. Learning to read and use wiring diagrams makes any of these repairs safer endeavors.

The check charging system warning light comes on although the baterry reads 12.5 vdc without the engine running and 14.5vdc with the.

All of these cars have a 3g series alternator. Typical alternator circuit basic electrical wiring, electrical circuit diagram, electrical engineering, alternator working. And the ign wire is dark blue on stock chrysler wiring harnesses. Learn about vehicle wiring diagrams. Alternator function in a car. Diagram #1 shows the basics of the early alternator / voltage regulator (vr) design. The alternator also shows a connection with the 'battery charging wire.' it only charges the battery and does not supply energy to any other unit. We know that alternator is used in car or automotive for charging purpose. Learn where to find wiring diagrams for your car. Learning to read and use wiring diagrams makes any of these repairs safer endeavors. The design of the regulator affects the entire layout of the charging system. The most simple reason for dual batteries is better starting and the ability to go farther if your charging system quits working. The check charging system warning light comes on although the baterry reads 12.5 vdc without the engine running and 14.5vdc with the.

Charging Alternator Wiring Diagram / Alternator Wiring Diagram A Complete Tutorial Edrawmax /. Learn where to find wiring diagrams for your car. The check charging system warning light comes on although the baterry reads 12.5 vdc without the engine running and 14.5vdc with the. Typical alternator circuit basic electrical wiring, electrical circuit diagram, electrical engineering, alternator working. The design of the regulator affects the entire layout of the charging system. And the ign wire is dark blue on stock chrysler wiring harnesses.

Selasa, 08 Maret 2022

Car Speaker Wiring Guage : What Size Speaker Wire Is Right Speaker Wire Gauge Calculator Size Guide -

When we install a car audio system with an amplifier we need to properly choose the right wire size gauge for our power and ground wires. For example, if your amp is in the . If the distance is between 80 and . We offer 10 options for car financing to make your next set of wheels a reality. Confused by what gauge wire to get for your install?

18, 16, or 14 gauge ofc will be plenty for car speakers. Auto Drive Car Stereo Speaker Wire 14 Gauge 50ft Long Transparent Blue Color Walmart Com
Auto Drive Car Stereo Speaker Wire 14 Gauge 50ft Long Transparent Blue Color Walmart Com from i5.walmartimages.com
For example, if your amp is in the . The size of your speaker wiring depends on the amount of power going to your speakers and the length of wire from the amplifier to the speakers. Follow these tips for buying a used car. Qualitymobilevideo.com for all of your car audio and video needs! If you are planning on having your car stereo upgraded, . 18, 16, or 14 gauge ofc will be plenty for car speakers. If the distance is between 80 and . Recommended car stereo wire gauge sizes, power, ground, fusing chart, speaker wire size by load and distance.

Qualitymobilevideo.com for all of your car audio and video needs!

For example, if your amp is in the . If you are planning on having your car stereo upgraded, . Qualitymobilevideo.com for all of your car audio and video needs! For most low power home or car speakers (not subwoofers) 18 gauge (18awg) is fine. · for higher power systems or longer lengths, 16 gauge is a . When we install a car audio system with an amplifier we need to properly choose the right wire size gauge for our power and ground wires. We offer 10 options for car financing to make your next set of wheels a reality. Follow these tips for buying a used car. 18, 16, or 14 gauge ofc will be plenty for car speakers. Recommended car stereo wire gauge sizes, power, ground, fusing chart, speaker wire size by load and distance. If you're looking for a quick and easy answer, well, there really isn't one. The size of your speaker wiring depends on the amount of power going to your speakers and the length of wire from the amplifier to the speakers. If the distance is between 80 and .

18, 16, or 14 gauge ofc will be plenty for car speakers. As with the power wire, the longer the run and the more current you're pushing through it, the larger size you should use. Confused by what gauge wire to get for your install? We offer 10 options for car financing to make your next set of wheels a reality. The size of your speaker wiring depends on the amount of power going to your speakers and the length of wire from the amplifier to the speakers.

Qualitymobilevideo.com for all of your car audio and video needs! What Size Speaker Wire Is Right Speaker Wire Gauge Calculator Size Guide
What Size Speaker Wire Is Right Speaker Wire Gauge Calculator Size Guide from soundcertified.com
If the distance is between 80 and . Follow these tips for buying a used car. 18, 16, or 14 gauge ofc will be plenty for car speakers. If you are planning on having your car stereo upgraded, . Recommended car stereo wire gauge sizes, power, ground, fusing chart, speaker wire size by load and distance. When we install a car audio system with an amplifier we need to properly choose the right wire size gauge for our power and ground wires. For most low power home or car speakers (not subwoofers) 18 gauge (18awg) is fine. Qualitymobilevideo.com for all of your car audio and video needs!

Recommended car stereo wire gauge sizes, power, ground, fusing chart, speaker wire size by load and distance.

If the distance is between 80 and . · for higher power systems or longer lengths, 16 gauge is a . Recommended car stereo wire gauge sizes, power, ground, fusing chart, speaker wire size by load and distance. Follow these tips for buying a used car. For most low power home or car speakers (not subwoofers) 18 gauge (18awg) is fine. When we install a car audio system with an amplifier we need to properly choose the right wire size gauge for our power and ground wires. Confused by what gauge wire to get for your install? If you're looking for a quick and easy answer, well, there really isn't one. 18, 16, or 14 gauge ofc will be plenty for car speakers. The size of your speaker wiring depends on the amount of power going to your speakers and the length of wire from the amplifier to the speakers. If you are planning on having your car stereo upgraded, . As with the power wire, the longer the run and the more current you're pushing through it, the larger size you should use. For example, if your amp is in the .

If you're looking for a quick and easy answer, well, there really isn't one. When we install a car audio system with an amplifier we need to properly choose the right wire size gauge for our power and ground wires. 18, 16, or 14 gauge ofc will be plenty for car speakers. · for higher power systems or longer lengths, 16 gauge is a . For example, if your amp is in the .

If you are planning on having your car stereo upgraded, . Jwtru41 4 Gauge 2500w 2 Channel Mono Amplifier Wiring Kit
Jwtru41 4 Gauge 2500w 2 Channel Mono Amplifier Wiring Kit from www.caraudiocentre.co.uk
18, 16, or 14 gauge ofc will be plenty for car speakers. Follow these tips for buying a used car. If you are planning on having your car stereo upgraded, . If the distance is between 80 and . Qualitymobilevideo.com for all of your car audio and video needs! Confused by what gauge wire to get for your install? · for higher power systems or longer lengths, 16 gauge is a . Recommended car stereo wire gauge sizes, power, ground, fusing chart, speaker wire size by load and distance.

Qualitymobilevideo.com for all of your car audio and video needs!

For example, if your amp is in the . The size of your speaker wiring depends on the amount of power going to your speakers and the length of wire from the amplifier to the speakers. Recommended car stereo wire gauge sizes, power, ground, fusing chart, speaker wire size by load and distance. If you are planning on having your car stereo upgraded, . If the distance is between 80 and . · for higher power systems or longer lengths, 16 gauge is a . Follow these tips for buying a used car. Qualitymobilevideo.com for all of your car audio and video needs! If you're looking for a quick and easy answer, well, there really isn't one. When we install a car audio system with an amplifier we need to properly choose the right wire size gauge for our power and ground wires. As with the power wire, the longer the run and the more current you're pushing through it, the larger size you should use. 18, 16, or 14 gauge ofc will be plenty for car speakers. For most low power home or car speakers (not subwoofers) 18 gauge (18awg) is fine.

Car Speaker Wiring Guage : What Size Speaker Wire Is Right Speaker Wire Gauge Calculator Size Guide -. If you're looking for a quick and easy answer, well, there really isn't one. For example, if your amp is in the . When we install a car audio system with an amplifier we need to properly choose the right wire size gauge for our power and ground wires. Confused by what gauge wire to get for your install? For most low power home or car speakers (not subwoofers) 18 gauge (18awg) is fine.

Senin, 07 Maret 2022

4 Pole Trailer Wiring Diagram / Trailer Wiring Diagrams Johnson Trailer Co :

Boat trailer lights · trailer light wiring · trailer wiring diagram. Tail lights, brake lights, left & right signals. At a minimum, all trailers need at least 4 functions: Find this pin and more on automotive electronics by jake rice. Learning to read and use wiring diagrams makes any of these repairs safer endeavors.

Learning to read and use wiring diagrams makes any of these repairs safer endeavors. Trailer Wiring Diagram And Installation Help Towing 101
Trailer Wiring Diagram And Installation Help Towing 101 from storage.googleapis.com
At a minimum, all trailers need at least 4 functions: Tail lights, brake lights, left & right signals. They also provide a wire for a ground connection. Limicar trailer wiring harness extension kit, 25ft trailer wiring harness with 4 flat extension connector, 4 pin flat wishbond trailer harness for utility . Learning to read and use wiring diagrams makes any of these repairs safer endeavors. Learn about vehicle wiring diagrams. Without this wire, there will be no running lights, turn lights, and . Learn where to find wiring diagrams for your car.

They also provide a wire for a ground connection.

Find this pin and more on automotive electronics by jake rice. At a minimum, all trailers need at least 4 functions: Tail lights, brake lights, left & right signals. White wire= ground brown wire= running lights . The four wires control the turn signals, brake lights and taillights or running lights. Learn where to find wiring diagrams for your car. Without this wire, there will be no running lights, turn lights, and . Learning to read and use wiring diagrams makes any of these repairs safer endeavors. Learn about vehicle wiring diagrams. Hardwiring requires the installer to locate the proper . They also provide a wire for a ground connection. Boat trailer lights · trailer light wiring · trailer wiring diagram. 4 wires will give these .

At a minimum, all trailers need at least 4 functions: Find this pin and more on automotive electronics by jake rice. Limicar trailer wiring harness extension kit, 25ft trailer wiring harness with 4 flat extension connector, 4 pin flat wishbond trailer harness for utility . Learning to read and use wiring diagrams makes any of these repairs safer endeavors. 4 wires will give these .

Limicar trailer wiring harness extension kit, 25ft trailer wiring harness with 4 flat extension connector, 4 pin flat wishbond trailer harness for utility . 4 Way Trailer Wiring Harness 22 Load Rite Trailers
4 Way Trailer Wiring Harness 22 Load Rite Trailers from www.loadrite.com
At a minimum, all trailers need at least 4 functions: Learn where to find wiring diagrams for your car. They also provide a wire for a ground connection. 4 wires will give these . Hardwiring requires the installer to locate the proper . Find this pin and more on automotive electronics by jake rice. Learn about vehicle wiring diagrams. Tail lights, brake lights, left & right signals.

Tail lights, brake lights, left & right signals.

White wire= ground brown wire= running lights . At a minimum, all trailers need at least 4 functions: Learning to read and use wiring diagrams makes any of these repairs safer endeavors. Tail lights, brake lights, left & right signals. They also provide a wire for a ground connection. Learn where to find wiring diagrams for your car. Hardwiring requires the installer to locate the proper . The four wires control the turn signals, brake lights and taillights or running lights. Without this wire, there will be no running lights, turn lights, and . 4 wires will give these . Boat trailer lights · trailer light wiring · trailer wiring diagram. Learn about vehicle wiring diagrams. Find this pin and more on automotive electronics by jake rice.

Hardwiring requires the installer to locate the proper . 4 wires will give these . Learn where to find wiring diagrams for your car. Tail lights, brake lights, left & right signals. White wire= ground brown wire= running lights .

Learn where to find wiring diagrams for your car. Wiring Trailer Lights With A 4 Way Plug It S Easier Than You Think Etrailer Com
Wiring Trailer Lights With A 4 Way Plug It S Easier Than You Think Etrailer Com from www.etrailer.com
Find this pin and more on automotive electronics by jake rice. 4 wires will give these . Learning to read and use wiring diagrams makes any of these repairs safer endeavors. Limicar trailer wiring harness extension kit, 25ft trailer wiring harness with 4 flat extension connector, 4 pin flat wishbond trailer harness for utility . Learn about vehicle wiring diagrams. They also provide a wire for a ground connection. Without this wire, there will be no running lights, turn lights, and . Hardwiring requires the installer to locate the proper .

Limicar trailer wiring harness extension kit, 25ft trailer wiring harness with 4 flat extension connector, 4 pin flat wishbond trailer harness for utility .

Boat trailer lights · trailer light wiring · trailer wiring diagram. Without this wire, there will be no running lights, turn lights, and . Learning to read and use wiring diagrams makes any of these repairs safer endeavors. 4 wires will give these . Tail lights, brake lights, left & right signals. Limicar trailer wiring harness extension kit, 25ft trailer wiring harness with 4 flat extension connector, 4 pin flat wishbond trailer harness for utility . White wire= ground brown wire= running lights . Learn where to find wiring diagrams for your car. Hardwiring requires the installer to locate the proper . At a minimum, all trailers need at least 4 functions: They also provide a wire for a ground connection. Learn about vehicle wiring diagrams. The four wires control the turn signals, brake lights and taillights or running lights.

4 Pole Trailer Wiring Diagram / Trailer Wiring Diagrams Johnson Trailer Co :. Tail lights, brake lights, left & right signals. At a minimum, all trailers need at least 4 functions: Boat trailer lights · trailer light wiring · trailer wiring diagram. Learn about vehicle wiring diagrams. Learn where to find wiring diagrams for your car.

Minggu, 06 Maret 2022

2004 Nissan Maxima Wiring Diagram - 2004 Nissan Maxima Rear Lights My Rear Running Lights No Not Come /

Learn where to find wiring diagrams for your car. Refer to the signal tech ii . Check this approximate 2004 nissan maxima power wiring supply circuit below: 2004 nissan maxima wiring diagram 1. Body harness and tail harness 47, wiring diagram codes (cell codes) 54, circuit breaker (built into bcm) 60, for detailed ground distribution, .

Learn about vehicle wiring diagrams. 1993 Nissan Maxima Wiring Diagram Manual Original
1993 Nissan Maxima Wiring Diagram Manual Original from 16200995b75eff4bec5d-bd309e0dbcabe608601fc9c9c352796e.ssl.cf1.rackcdn.com
If anyone has them, i would greatly appreciate it if you could email them or provide a. Learn where to find wiring diagrams for your car. Check this approximate 2004 nissan maxima power wiring supply circuit below: Anyone have the color and wiring information for a 2004 maxima. Battery power supply — ignition sw. Body harness and tail harness 47, wiring diagram codes (cell codes) 54, circuit breaker (built into bcm) 60, for detailed ground distribution, . I have a 2004 maxima and i'm trying to locate the wiring diagrams. Wiring diagram — power —.

Body harness and tail harness 47, wiring diagram codes (cell codes) 54, circuit breaker (built into bcm) 60, for detailed ground distribution, .

Refer to the signal tech ii . Bcm (body control module) reference value note: If an element is broken, no continuity will exist. Learn about vehicle wiring diagrams. Nissan sani wiring diagram #7 2004 nissan maxima, car ecu, r32 gtr,. Check this approximate 2004 nissan maxima power wiring supply circuit below: You can get a free wiring diagram from most parts stores if you ask for it . If anyone has them, i would greatly appreciate it if you could email them or provide a. I have a 2004 maxima and i'm trying to locate the wiring diagrams. Battery power supply — ignition sw. Posted in the12volt's install bay car security and convenience . Learning to read and use wiring diagrams makes any of these repairs safer endeavors. 2006 nissan maxima car alarm auto security remote starter wiring diagram

You can get a free wiring diagram from most parts stores if you ask for it . Learn where to find wiring diagrams for your car. Learn about vehicle wiring diagrams. If anyone has them, i would greatly appreciate it if you could email them or provide a. If an element is broken, no continuity will exist.

Bcm (body control module) reference value note: Nissan Maxima Service And Repair Manual Wiring Diagram Transaxle Transmission
Nissan Maxima Service And Repair Manual Wiring Diagram Transaxle Transmission from www.nimainfo.com
If an element is broken, no continuity will exist. Select your vehicle options to narrow down results. Nissan sani wiring diagram #7 2004 nissan maxima, car ecu, r32 gtr,. If anyone has them, i would greatly appreciate it if you could email them or provide a. I have a 2004 maxima and i'm trying to locate the wiring diagrams. Posted in the12volt's install bay car security and convenience . You can get a free wiring diagram from most parts stores if you ask for it . Refer to the signal tech ii .

Body harness and tail harness 47, wiring diagram codes (cell codes) 54, circuit breaker (built into bcm) 60, for detailed ground distribution, .

Refer to the signal tech ii . Learning to read and use wiring diagrams makes any of these repairs safer endeavors. If an element is broken, no continuity will exist. 2004 nissan maxima wiring diagram 1. Nissan sani wiring diagram #7 2004 nissan maxima, car ecu, r32 gtr,. Battery power supply — ignition sw. If anyone has them, i would greatly appreciate it if you could email them or provide a. Check this approximate 2004 nissan maxima power wiring supply circuit below: Use this information for installing car alarm, remote car starters and . Body harness and tail harness 47, wiring diagram codes (cell codes) 54, circuit breaker (built into bcm) 60, for detailed ground distribution, . 2006 nissan maxima car alarm auto security remote starter wiring diagram Wiring diagram — power —. Learn where to find wiring diagrams for your car.

Check this approximate 2004 nissan maxima power wiring supply circuit below: Learning to read and use wiring diagrams makes any of these repairs safer endeavors. Nissan sani wiring diagram #7 2004 nissan maxima, car ecu, r32 gtr,. Anyone have the color and wiring information for a 2004 maxima. Body harness and tail harness 47, wiring diagram codes (cell codes) 54, circuit breaker (built into bcm) 60, for detailed ground distribution, .

2006 nissan maxima car alarm auto security remote starter wiring diagram 3
3 from
You can get a free wiring diagram from most parts stores if you ask for it . Nissan sani wiring diagram #7 2004 nissan maxima, car ecu, r32 gtr,. Learn where to find wiring diagrams for your car. If anyone has them, i would greatly appreciate it if you could email them or provide a. Body harness and tail harness 47, wiring diagram codes (cell codes) 54, circuit breaker (built into bcm) 60, for detailed ground distribution, . Bcm (body control module) reference value note: Wiring diagram — power —. Refer to the signal tech ii .

Bcm (body control module) reference value note:

Bcm (body control module) reference value note: If an element is broken, no continuity will exist. Check this approximate 2004 nissan maxima power wiring supply circuit below: Posted in the12volt's install bay car security and convenience . Learn where to find wiring diagrams for your car. Nissan sani wiring diagram #7 2004 nissan maxima, car ecu, r32 gtr,. Learn about vehicle wiring diagrams. 2006 nissan maxima car alarm auto security remote starter wiring diagram Body harness and tail harness 47, wiring diagram codes (cell codes) 54, circuit breaker (built into bcm) 60, for detailed ground distribution, . You can get a free wiring diagram from most parts stores if you ask for it . Learning to read and use wiring diagrams makes any of these repairs safer endeavors. 2004 nissan maxima wiring diagram 1. Select your vehicle options to narrow down results.

2004 Nissan Maxima Wiring Diagram - 2004 Nissan Maxima Rear Lights My Rear Running Lights No Not Come /. Learn where to find wiring diagrams for your car. Learning to read and use wiring diagrams makes any of these repairs safer endeavors. Bcm (body control module) reference value note: Use this information for installing car alarm, remote car starters and . Select your vehicle options to narrow down results.